真理2_1_22   次頁   前頁   索引   ホーム  

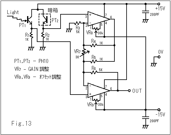
以上のことを考慮にいれて、下図の様な回路になった。


◎電源は、2電源、定電圧電源を用いる。

真理2_1_22  次頁  前頁  索引  ホーム